|
B & C PROFESSIONAL COMPONENTS |
|
FBCLX64 - 2-WAY CROSSOVER |
|
THE B&C FBCLX64 2-WAY CROSSOVER FOR USE WITH THE 12CLX64 COAXIAL SPEAKER! |
|
|
|
FBCLX64 |
|
8 Ohms Item Price: $152.64/Each Free UPS Ground Shipping in the U.S. |
|
|
SPEAKER
MODEL |
FBCLX64 |
|
SPECIFICATIONS |
|
| Type |
2-Way |
|
Impedance |
8 ohms |
|
Crossover
Frequency |
1.7kHz |
| Power Handling | 500 watts AES |
| Slope – Low Frequency | 24dB/octave Butterworth |
| Slope – High Frequency | 12dB/octave Butterworth |
|
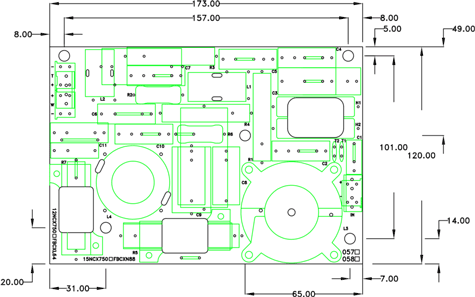
MOUNTING INFORMATION |
|
|
Overall Dimensions |
6.81" Wide x 4.72" / 173mm x 120mm |
| Mounting Holes | (5) 6mm holes on PCB |
| Net Weight | 1.41 lbs./ .64 kg. |
|
FREQUENCY RESPONSE - 12CLX64 |
|
|
|
|
| DRAWING | |
![]() |
|
US Speaker, LLC