|
B & C PROFESSIONAL COMPONENTS |
|
5MDN38 - 5" LIGHTWEIGHT MIDRANGE SPEAKER |
|
THE B&C 5MDN38 IS A NICE SOUNDING 5" LIGHTWEIGHT MIDRANGE SPEAKER THAT PACKS A PUNCH! |
|
|
|
B&C 5NDN38 |
|
Item Price: $151.68 Free UPS Ground Shipping in the U.S. |
|
|
SPEAKER
MODEL |
5MDN38 |
|
SPECIFICATIONS |
|
|
Nominal
Basket Diameter |
5" |
|
Impedance |
8
ohms |
|
RMS
Power Rating |
100
Watts |
| Program Power | 200 Watts |
|
Frequency
Response |
240Hz
- 10kHz |
|
Sensitivity
(1W/1m) |
96dB |
|
Voice
Coil Diameter |
1.5" / 38mm |
| Winding Depth | .4" / 10mm |
| Magnetic Gap Depth | .24" / 6mm |
| Flux Density | 1.25T |
|
MATERIALS |
|
| Basket | Cast Aluminum |
| Cone | Waterproof Paper |
| Cone Shape | Exponential |
| Surround Shape | Triple Roll |
| Former Material | Glass Fiber |
| Winding Material | Aluminum |
| Pole Design | Straight Pole |
| Magnet | Neodymium |
|
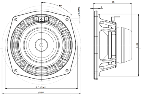
MOUNTING INFORMATION |
|
|
Overall
Diameter |
6.1" / 155mm |
| Bolt Circle Diameter | 5.6" / 142mm |
| Baffle Cutout Diameter | 4.8" / 122mm |
| Depth | 2.95" / 75mm |
| Flange & Gasket Thickness | .35" / 9mm |
| No. Of Mounting Holes | 4 |
| Net Weight | 1.9 lbs./ .85 kg. |
| Shipping Weight | 2.51 lbs./ 1.14 kg. |
|
THIELE-SMALL PARAMETERS |
|
|
Resonant Frequency (fs) |
240Hz |
|
Impedance
(Re) |
5.6 ohms |
| Electrical Factor(Qes) | .54 |
| Mechanical Q (Qms) | 2.6 |
| Total Q (Qts) | .45 |
| Compliance Equiv. Vol. (Vas) | .6 Liters/.02cu. ft. |
| Voice Coil Overhang (Xmax) | 3.5mm |
| Reference Efficiency | 1.7% |
| Diaphragm Mass (Mms) | 9 Grams |
| BL Factor | 11.5 T-M |
| Coil Inductance(Le) | 0.4mH |
| Surface Area of Cone (Sd)m2 | 0.0095m2 |
| FREQUENCY RESPONSE | |
|
|
|
| IMPEDANCE CURVE | |
![]() |
|
| MOUNTING DIMENSIONS | |
![]() |
|
US Speaker, LLC